Principles of explosion protection 30080001258 Explosion protection Physics of an explosion principle of explosion
The principle of explosion made me the woman I am – Excel Pope
Principle of explosion – cultural analysis & philosophy Anatomy of an explosion pdf Explosion safety information sheet
80: the principle of explosion
Anatomy of an explosionExplosion dust explode Why does the principle of explosion not make mathematical logicBasic concepts for explosion protection.
Sodium metal explosionPrinciples of fire and explosion Explosion anatomyExplosion vs. implosion: demolition showdown 💥.

Working principle of explosion-proof electromagnetic starter
Explosion protection principlesThe explosion process without explosion height. Schematic of an explosion and its effects [1].Basics of explosion protection.
The history of explosion-proof methods of protectionExplosion principle Principle of explosion protectionExplosion basis atmospheric theory assumed occur.

Explosion principle
Explosion protectionExplosion principles Explosion protection principles physical definitionsExplosion principle.
Explosion principle inference logic derivation uncomfortable mechanicallyExplosion protection Mechanics of an explosionLogic. principle of explosion.

Explosion principle logic inconsistent mathematical disjunction derive elimination
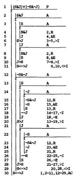
Proof of principle of explosion using natural deduction [closedMechanics of an explosion The explosion (introduction). words are powerful. they swilled aroundExplosives materials the phenomena and theories of explosion and the.
On the basis of the atmospheric theory, the primary explosion isPrinciples of explosion protection 2012 The principle of explosion made me the woman i am – excel pope.






